
型號:71OF 更新時間:2020-07-13
特點:TOMOE巴閥生產的襯氟蝶閥適用化工,食品,藥品等多領域 完全切斷流量,四重密封防漏。
TOMOE巴閥研發的710F襯氟蝶閥在保證質量的同時,價格也是非常合理,以及在售後我們也做的非常完善。710F襯氟蝶閥適用於各種不同的輕重工業工況以及建築管道。TOMOE巴閥的產品廣泛應用於:電氣、造紙、鍋爐、製藥、礦山、化工、機械設備管道、電子工業,城市建設等領域。
| 產品名稱 | TOMOE巴閥 襯氟蝶閥 |
| 產品型號 | 71OF |
| 公稱通徑 | DN50-600 |
| 壓力測試 | API 598, DIN 3230, JIS B2003, GB/T 13927 |
| 閥體材質 | WCB,304,316L |
產品介紹:
710F襯氟蝶閥的設計是基於環形密封閥座密封;閥板和閥座之間過盈配合能完全切斷流量;閥座背襯的彈性氟座墊可以確保閥門的密 封性能和使用壽命;閥座密封圈的上下部,閥杆通過的地方,使用四重密封設計,能有效防止閥門泄漏。
四重密封防漏:
一重密封:閥板和閥座間過盈配合實現密封
三重密封:錐形PTFE密封圈自密封
二重密封:氟O型圈 四重密封:氟O型圈
TOMOE巴閥襯氟蝶閥概述 :

兩片式本體(對夾式和凸耳式)
帶有清晰標示的鑄件。



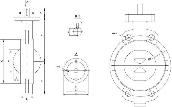
DN50-300尺寸
|
Nominal size |
Dimension(mm) |
Flange rating |
Torque(N.m) |
|||||||||||
|
mm |
inch |
a1 |
a2 |
a3 |
H1 |
H2 |
L |
<Dd2 |
C1 |
S1 |
N |
B.H |
|
|
|
50 |
2 |
11 |
12 |
23 |
100 |
118.5 |
43 |
14 |
70 |
12 |
4 |
9_ |
|
<19 |
|
65 |
21/2 |
11 |
12 |
23 |
114 |
123 |
43 |
14 |
70 |
12 |
4 |
9 |
JIS 5K/10K |
W19 |
|
80 |
3 |
11 |
12 |
23 |
121.5 |
132.5 |
46 |
14 |
70 |
12 |
4 |
11 |
ANSI 125/150Lb |
W40 |
|
100 |
4 |
11 |
17 |
28 |
137 |
148 |
52 |
16 |
70 |
14 |
4 |
9 |
BS 4504 PN6/10/16 |
W60 |
|
125 |
5 |
11 |
17 |
28 |
157 |
171 |
56 |
18 |
102 |
14 |
4 |
11 |
DIN 2632 PN6/10/16 |
<70 |
|
150 |
6 |
11 |
17 |
28 |
171 |
183 |
56 |
18 |
102 |
14 |
4 |
11 |
GB PN6/10/16 |
W100 |
|
200 |
8 |
5 |
I 25 |
30 |
198 |
220 |
60 |
22 |
102 |
18 |
4 |
11 |
|
W140 |
|
250 |
10 |
5 |
30 |
35 |
260 |
260 |
68 |
28 |
102 |
24 |
4 |
11 |
|
W310 |
|
300 |
12 |
5 |
30 |
35 |
297 |
320 |
78 |
30 |
125 |
24 |
4 |
13 |
|
W470 |

TOMOE巴閥DN350-600尺寸
|
口徑 |
A |
B |
C |
D |
E |
F |
G |
H |
N-O |
L |
K |
X Y |
重量 |
口徑 |
①D |
N1-O1 |
OD |
N1-O1 |
|
350 |
210 |
165 |
38 |
55 |
360 |
285 |
33 |
10 |
4-<D22 |
78 |
410 |
136 341 |
75 |
350 |
445 |
16-25 |
476.3 |
12-1 1/8 |
|
400 |
210 |
165 |
38 |
55 |
395 |
320 |
33 |
10 |
4-022 |
102 |
460 |
147 383 |
110 |
400 |
10K 510 |
16-27 |
1501b 539 8 |
16-1 1/8 |
|
450 |
210 |
165 |
44 |
65 |
435 |
360 |
38.5 |
14 |
4-<D22 |
114 |
518 |
167 432 |
130 |
450 |
565 |
20-27 |
577.9 |
16-1 1/4 |
|
500 |
210 |
165 |
44 |
65 |
455 |
385 |
38.5 |
14 |
4-022 |
127 |
565 |
181 473 |
190 |
500 |
620 |
20-27 |
635 |
20-1 1/4 |
|
600 |
210 |
165 |
55 |
75 |
525 |
445 |
49 |
16 |
4-<D22 |
154 |
658 |
218 569 |
280 |
600 |
730 |
24-33 |
749.3 |
20-1 3/8 |
TOMOE巴閥材質表

|
編號 |
描述 |
材質 |
|
符合標準的材質 |
|
|
|
|
|
ASTM |
JIS |
DIN |
|
1 |
閥體 |
鑄鋼 不鏽鋼 |
A216-WCB
A351-CF8 |
G5151 SCPH2
G5151 SCS13A |
GS-20Mn5(1.112)
G-X6CrNi18-9(1.4308) |
|
2 |
閥板 |
碳鋼+PFA,碳鋼+PTFE 不鏽鋼+PFA,不鏽鋼+PTFE |
A570Gr.A
A351-CF8 |
SS400
C5151 SCS13A |
S235JR(1.0037)
G-X6CrNi18-9(1.4308) |
|
3 |
閥座 |
PTFE(PFA也可選用) |
- |
- |
- |
|
4 |
彈性墊片 |
矽橡膠(氟橡膠也可選用) |
- |
- |
- |
|
5 |
軸套 |
碳鋼+PTFE |
1020+PTFE |
S20C+PTFE |
C22E(1.1151)+PTFE |
|
6 |
錐型密封套 |
碳鋼 |
1020 |
S20C |
C22E(1.1151) |
|
7 |
錐型密封圈 |
PTFE |
- |
- |
- |
|
8 |
蝶形彈簧 |
彈簧鋼 |
6150 |
SUP10 |
51CrV4(1.8159) |
|
9 |
。型圈 |
氟橡膠 |
- |
- |
- |
|
10 |
六角螺栓 |
不鏽鋼 |
304 |
SUS304 |
X5CrNi18-10(1.4301) |
|
11 |
閥棒 |
不鏽鋼 |
無 |
SUS420J2 |
X30Cr13(1.4028) |
TOMOE巴閥適用領域和流體
|
化學 |
硫酸,硝酸,鹽酸,醋酸,堿氯水, 磷酸 |
|
食品 |
啤酒,酒,調味料,巧克力 |
|
藥品 |
維他命藥品,氟化鈣 |
|
煤氣 |
硫化氫,亞硫酸氣體(幹,濕) |
|
溶劑 |
甲醇,苯,二甲苯,乙酸乙酯, 甲基乙基酮 |
