
型號:ZDLF 更新時間:2017-11-09
特點:chenfutiaojiefajiushifatineibihuojinshuzujiancaiyongdecaizhiweichenfu。jubennaifushidegongneng。qidingbudaoxiangjiegou,peiyongzidonghuayibiaoyanzhideduodanhuangzhixingjigou,juyoujiegoujincou、重量輕、動作靈敏、流體通道呈S流線型、壓降損失小、閥容量大、流量特性精確、拆裝方便等優點。
襯氟調節閥產品概述
chenfutiaojiefajiushifatineibihuojinshuzujiancaiyongdecaizhiweichenfu。jubennaifushidegongneng。qidingbudaoxiangjiegou,peiyongzidonghuayibiaoyanzhideduodanhuangzhixingjigou,juyoujiegoujincou、重量輕、動作靈敏、流體通道呈S流線型、壓降損失小、閥容量大、流量特性精確、拆裝方便等優點。廣泛應用於精確控製氣體、液體等介質的工藝參數對壓力、流量、溫度、液位保持在給定值。特別使用於允許泄漏量小且閥前後壓差不大的場合。本係列產品有標準型、調節切斷型。產品公稱壓力等級有PN0.6、1.0、1.6、2.5、class150LB;公稱通徑範圍DN20~300;使用溫度由-20℃~+200℃範圍內多種檔次;泄漏等級VI級,流量特性為線性或等百分比。
襯氟調節閥主要特點:
(1)耐腐性好:閥體內腔、閥芯、閥座、均包襯有3mm厚的聚全氟乙丙烯,能耐強腐蝕性流體。
(2)密封性能好:采用聚四氟乙烯波紋管和填料雙重密封。
(3)泄漏量少:由於閥芯、閥座是軟密封的泄漏量遠遠低於國家Ⅳ級標準。
(4)調節精度高:采用精小型的氣動執行機構和電動執行機構,體積小,重量輕。
襯氟調節閥主要技術參數
|
公稱通徑(DN) |
20 |
25 |
32 |
40 |
50 |
65 |
80 |
100 |
150 |
|
閥座直徑(dn) |
20 |
25 |
32 |
40 |
50 |
65 |
80 |
100 |
150 |
|
額定流量係數(KV) |
5.0 |
8 |
12 |
20 |
32 |
50 |
70 |
100 |
240 |
|
允許壓差(MPa) |
3.8 |
3.2 |
3.0 |
2.0 |
1.8 |
1.5 |
1.4 |
1.0 |
0.6 |
|
公稱壓力(MPa) |
1.6、2.5、4.0、6.4 |
||||||||
|
額定行程(mm) |
16 |
25 |
40 |
60 |
|||||
|
配用執行器型號 |
ZHA/B-22 |
ZHA/B-23 |
ZHA/B-34 |
ZHA/B45 |
|||||
|
閥芯形式 |
單座柱塞式襯氟閥芯 |
||||||||
|
流量特性 |
快開特性 |
||||||||
襯氟調節閥執行器技術參數
|
配置執行器類別 |
ZHA/B多彈簧簿膜執行機構 |
||||
|
執行器型號 |
ZHA/B-22 |
ZHA/B-23 |
ZHA/B-34 |
ZHA/B-45 |
ZHA/B-56 |
|
有效麵積(cm2) |
350 |
350 |
560 |
900 |
1400 |
|
行程(mm) |
10、16 |
24 |
40 |
40、60 |
100 |
|
彈簧範圍(KPa) |
20~100(標準)、20-60、60-100、40-200、80-240 |
||||
|
膜片材料 |
丁腈橡膠夾尼龍布、乙丙橡膠夾尼龍布 |
||||
|
供氣壓力 |
140~400KPa |
||||
|
氣源接口 |
RC1/4" |
||||
|
環境溫度 |
-30~+70℃ |
||||
|
可配附件 |
定位器、空氣過濾減壓器、保位閥、行程開關、閥位傳送器、手輪機構等 |
||||
|
作用形式 |
氣關式(B)—失氣時閥位開(FO);氣開式(K)—失氣時閥位關(FC) |
||||
襯氟調節閥主要零件材料
|
閥體、閥蓋 |
ZG230-450襯F46 |
|
閥座、閥芯 |
304襯F46 |
|
閥杆 |
304襯F46 |
|
導向套 |
304襯F46 |
|
波紋管 |
不鏽鋼+F46 |
襯氟調節閥主要性能指標
|
項目 |
不帶定位器 |
帶定位器 |
||
|
基本誤差% |
±5.0 |
±1.0 |
||
|
回差% |
3.0 |
1.0 |
||
|
死區% |
3.0 |
0.4 |
||
|
始終點偏差% |
氣開 |
始點 |
±2.5 |
±1.0 |
|
始點 |
±5.0 |
±1.0 |
||
|
氣關 |
始點 |
±5.0 |
±1.0 |
|
|
終點 |
±2.5 |
±1.0 |
||
|
額定行程偏差% |
≤2.5 |
|||
|
泄露量L/h |
0.01%×閥額定容量 |
|||
|
可調範圍R |
30:1 |
|||
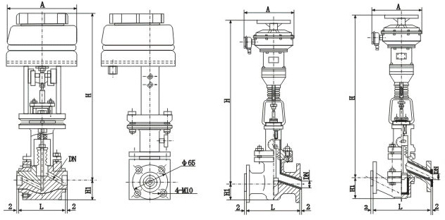
襯氟調節閥外形圖

襯氟調節閥安裝連接尺寸
|
公稱通徑(DN) |
20 |
25 |
32 |
40 |
50 |
65 |
80 |
100 |
125 |
150 |
|
|
L |
PN16/25 |
181 |
184 |
200 |
222 |
254 |
276 |
298 |
352 |
410 |
451 |
|
PN40 |
194 |
197 |
200 |
235 |
267 |
292 |
317 |
368 |
425 |
473 |
|
|
PN64 |
206 |
200 |
210 |
251 |
286 |
311 |
337 |
394 |
440 |
508 |
|
|
H |
PN16/25 |
52.5 |
57.5 |
75 |
75 |
85.5 |
92.5 |
100 |
110 |
142.5 |
158 |
|
PN40 |
52.5 |
57.5 |
75 |
75 |
82.5 |
92.5 |
100 |
117.5 |
150 |
167.5 |
|
|
PN64 |
65 |
40 |
85 |
85 |
90 |
102.5 |
107.5 |
125 |
172.5 |
195 |
|
|
H1 |
132 |
132 |
158 |
170 |
179 |
214 |
221 |
234 |
270 |
294 |
|
|
H2 |
298 |
298 |
298 |
298 |
298 |
380 |
380 |
380 |
510 |
510 |
|
|
H3 |
180 |
180 |
180 |
180 |
180 |
236 |
236 |
236 |
310 |
310 |
|
|
L1 |
289 |
289 |
289 |
289 |
289 |
347 |
347 |
347 |
476 |
476 |
|
|
A |
282 |
282 |
282 |
282 |
282 |
360 |
360 |
360 |
470 |
470 |
|
|
D |
220 |
220 |
220 |
220 |
220 |
270 |
270 |
270 |
320 |
320 |
|

氣動薄膜單座襯氟調節閥
型號:ZJHP
時間:2017-11-09
