
型號:ZCF11X 更新時間:2020-07-27
特點:UPVC電磁閥工業過程中的酸性、堿性流體尤其在如磷酸等易結晶流體方麵具有明顯的優勢。
UPVC電磁閥由本公司自主研發生產,在保證質量的同時,價格也是非常合理,以及在售後我們也做的非常完善。UPVC電磁閥適用於各種不同的輕重工業工況以及建築管道。電磁閥廣泛應用於:電氣、造紙、鍋爐、製藥、礦山、化工、機械設備管道、電子工業,城市建設等領域。
| 產品名稱 | UPVC電磁閥 |
| 產品型號 | ZCF11X |
| 公稱通徑 | DN15-50 |
| 壓力範圍 | 1.0MPa |
| 閥體材質 | UPVC |
一、UPVC電磁閥介紹:
此款UPVC電磁閥是本公司開發的一款新型的防腐型電磁閥,閥門設計緊湊。電磁閥對流體中的顆粒物、沉澱物適應性強,應用在汙水處理、農林灌溉、海水淡化、海水養殖。工業過程中的酸性、堿性流體尤其在如磷酸等易結晶流體方麵具有明顯的優勢。
一、UPVC材質簡介
UPVC又稱硬PVC,tashilvyixidantijingjuhefanyingerzhichengdewudingxingresuxingshuzhijiayidingdetianjiajizucheng。youjiaoqiangdelixuexingneng,naimo,nanran,jiedianxingnenglianghao,juyouyouliangdenaifushixingneng,keshiyingyibanxingdefushixingliuti。
二、UPVC電磁閥獨特的結構工藝
1,流體與金屬部件(動鐵芯,彈簧)完全隔絕,實現了結構上的真正的內腐蝕,
2,活塞取代膜片,電磁閥使用壽命大大增加
3,先導孔孔徑超大,路徑斷且直,不易被顆粒物,沉澱物或流體中的結晶物堵塞(例如:水中的泥沙,鹵水中的結晶鹽等)
4,嵌入式密封結構,密封性能更加可靠
三、UPVC電磁閥的優越性
1,電磁閥零泄漏
2,電磁閥流量孔徑為標準值,滿足相對應的流量要求。
3,電dian磁ci閥fa對dui流liu體ti中zhong的de顆ke粒li物wu,沉chen澱dian物wu適shi應ying性xing強qiang,應ying用yong在zai汙wu水shui處chu理li,農nong林lin灌guan溉gai,海hai水shui淡dan化hua,海hai水shui養yang殖zhi。工gong業ye過guo程cheng中zhong的de酸suan性xing,堿jian性xing流liu體ti尤you其qi在zai如ru磷lin酸suan等deng易yi結jie晶jing流liu體ti方fang麵mian具ju有you明ming顯xian的de優you勢shi。
4,所用UPVC材質,密封件通過美國衛生基金會(NSF)衛生安全認證。符合國際環保飲用水標準。
四、訂購碼
|
ZCF |
15 |
F |
SF |
L |
EX |
K |
|
代號 |
口徑大小:15,20,25等 |
螺紋:空白 法蘭:F |
四氟:SF UPVC CPVC |
直動式:L 先導式:空白 |
防爆:EX 不防爆:空白 |
常開:K 常閉:空白 |

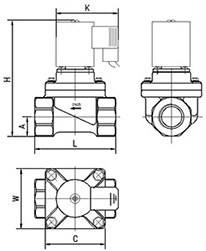
五、UPVC電磁閥技術參數:
|
通徑 mm |
聯接 方式 |
流量 Cv |
使用 溫度 |
公稱 壓力 MPa |
電壓 |
外型尺寸(mm) |
||||||
|
L |
H |
W |
C |
A |
K |
法蘭安裝孔中心距D |
||||||
|
15 |
G1/2 |
4.2 |
|
零壓
0.6
1.0 |
AC220V/50 DC24V 其它電壓可定製 |
74 |
132 |
63.5 |
63.5 |
16 |
92 |
Φ64 |
|
法蘭 |
123 |
|||||||||||
|
20 |
G3/4 |
5.8 |
80 |
137 |
63.5 |
63.5 |
19 |
92 |
Φ75 |
|||
|
法蘭 |
125 |
|||||||||||
|
25 |
G1 |
10 |
100 |
147 |
74 |
74 |
26 |
92 |
Φ85 |
|||
|
法蘭 |
163 |
|||||||||||
|
32 |
G1¼ |
15.2 |
120 |
171 |
94 |
94 |
30 |
94 |
Φ100 |
|||
|
法蘭 |
183 |
|||||||||||
|
40 |
G1½ |
21 |
130 |
180 |
94 |
94 |
32.5 |
94 |
Φ110 |
|||
|
法蘭 |
201 |
|||||||||||
|
50 |
G2 |
40 |
155 |
225 |
155 |
155 |
42 |
94 |
Φ125 |
|||
|
法蘭 |
252 |
|||||||||||
|
65 |
G2½ 法蘭 |
52.6 |
190 |
—— |
—— |
—— |
50 |
—— |
Φ145 |
|||
|
290 |
||||||||||||
五、UPVC電磁閥主要技術性能:
1,口徑大小:DN15-DN65
2,連接方式:螺紋(DN15--DN65)
法蘭(DN15--DN65)
3,電磁閥閥體、閥蓋、閥芯材質:UPVC;CPVC
4,閥杆:聚四氟乙烯(PTFE);
5,密封件:三元乙丙(EPDM)、氟膠(FKM);
6,適用於弱酸、堿、鹽類流體溶液等一般性的腐蝕性流體
7,環境溫度:10℃~+60℃
8,介質溫度:55度以內 UPVC
95度以內 CPVC
9,設計壓力:直動式:0-0.02 (適用於一些罐子自流的環境)
先導式:0.01-0.6MPA(適用於有泵的管道)
10,AC: 15W DC; 16w
六、UPVC電磁閥發生的故障及其排除方法 :
|
故 障 |
原 因 |
排除方法 |
|
接通電源 電磁閥打不開 |
電源電壓太低 線圈燒毀 介質壓力過低 |
調整電壓至使用範圍內 更換線圈 增大管道介質壓力 |
|
關閉電源 閥關不住或關閉不佳 |
介質壓力過高 膜片損壞或有異物卡住 膜片上方塔簧偏斜 |
減小管道介質壓力 更換新膜片清除異物 重新定位安裝 |
七、使用說明:
1、訂貨時請注明型號、公稱通徑、公稱壓力、工作介質、工作壓差、介質溫度、電源電壓及頻率、介質粘度。
2、電磁閥正常工作時的電壓為220V,如超過此範圍,請訂貨時注明電壓波動量。其它規格電源電壓可做特殊訂貨。
3、閥門的開通時間達12小時以上,請選用常開式電磁閥。當使用環境周圍有易燃易爆品,請選用防爆型電磁閥
當使用的場合非常重要或環境比較複雜時,請您盡量提供設計圖紙和詳細參數,由我們的豐泉閥門專家為您審核把關。

UPVC法蘭電磁閥
型號:ZCF
時間:2020-07-27

UPVC雙由令承插電磁閥
型號:ZCF
時間:2020-07-27

PTFE四氟電磁閥
型號:ZCF
時間:2020-07-27
