
型號:PZ273H 更新時間:2020-09-09
特點:PZ273H電液動插板閥驅動方式:手動,電動,氣動,液動,傘齒輪,電液動和氣液動等驅動方式 刀型閘閥外形:明杆,暗杆兩種 刀型閘閥材質:鑄鐵、鑄鋼、碳鋼、不鏽鋼、襯氟等 刀型閘閥密封:硬密封,軟密封,單麵密封,雙麵密封等多種材質密封

電液動插板閥PZ243H 特點:
公稱壓力:0.6MPa、1.0MPa、1.6MPa、2.5MPa、150Lb
公稱通徑:DN50~600mm NPS 2"~24"
適用溫度:-38~+200℃(具體溫度範圍視密封副材質和介質性質而定)
連接法蘭:ANSI B16.5、GB/T9113、JB/T79、HG、SH、JIS、DIN、NF、BS
主體材料:WCB、ZG1Cr18Ni9Ti、ZG1Cr18Ni12Mo2Ti、CF8、CF8M、CF3、CF3M
密封型式:硬密封、軟密封
泄漏量:硬密封:D級(液體0.1×DN mm3/s)軟密封:A級 (零泄漏)
配套附件:安裝法蘭
電液動插板閥PZ243H 主要性能規範:
|
公稱壓力(MPa |
殼體試驗(MPa |
密封試驗(MPa |
工作溫度 |
適用介質 |
|
1.0 |
1.5 |
1.1 |
≤100℃ |
紙漿、汙水、煤漿、灰、渣水混和物 |
電液動插板閥PZ243H 主要零部件材質:
|
體、蓋 |
閘閥 |
閥杆 |
密封麵 |
|
不鏽鋼、碳鋼、灰鑄鐵 |
碳鋼、不鏽鋼 |
不鏽鋼 |
橡膠、四氟、不鏽鋼、硬質合金 |
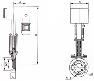
電液動插板閥PZ243H 主要外形及連接尺寸mm:

|
MPa |
DN |
L |
D |
D1 |
D2 |
H |
N-M |
D0 |
WKg |
|
1.0 |
50 |
43 |
160 |
125 |
100 |
|
4-M16 |
180 |
|
|
65 |
46 |
180 |
145 |
120 |
|
4-M16 |
180 |
|
|
|
80 |
46 |
195 |
160 |
135 |
|
4-M16 |
220 |
|
|
|
100 |
52 |
215 |
180 |
155 |
|
8-M16 |
220 |
|
|
|
125 |
56 |
245 |
210 |
185 |
|
8-M16 |
230 |
|
|
|
150 |
56 |
280 |
240 |
210 |
|
8-M20 |
280 |
|
|
|
200 |
60 |
335 |
295 |
265 |
|
8-M20 |
360 |
|
|
|
250 |
68 |
390 |
350 |
320 |
|
12-M20 |
360 |
|
|
|
300 |
78 |
440 |
400 |
368 |
|
12-M20 |
400 |
|
|
|
350 |
78 |
500 |
460 |
428 |
|
16-M20 |
400 |
|
|
|
400 |
102 |
565 |
515 |
482 |
|
16-M22 |
400 |
|
|
|
450 |
114 |
615 |
565 |
532 |
|
20-M22 |
530 |
|
|
|
500 |
127 |
670 |
620 |
585 |
|
20-M22 |
530 |
|
|
|
600 |
154 |
780 |
725 |
685 |
|
20-M27 |
600 |
|
|
|
700 |
165 |
895 |
840 |
800 |
|
24-M27 |
600 |
|
|
|
800 |
190 |
1010 |
950 |
898 |
|
24-M30 |
680 |
|
|
|
900 |
203 |
1110 |
1050 |
1005 |
|
28-M30 |
680 |
|
|
|
1000 |
216 |
1220 |
1160 |
1115 |
|
28-M30 |
700 |
|
|
|
1200 |
254 |
1450 |
1380 |
1325 |
|
32-M36 |
800 |
|
|
|
1.6 |
50 |
43 |
160 |
125 |
99 |
|
4-M16 |
180 |
|
|
65 |
46 |
185 |
145 |
120 |
|
4-M16 |
180 |
|
|
|
80 |
46 |
200 |
160 |
135 |
|
8-M16 |
220 |
|
|
|
100 |
52 |
220 |
180 |
155 |
|
8-M16 |
220 |
|
|
|
125 |
56 |
250 |
210 |
185 |
|
8-M16 |
230 |
|
|
|
150 |
56 |
285 |
240 |
210 |
|
8-M20 |
280 |
|
|
|
200 |
60 |
340 |
295 |
265 |
|
12-M20 |
360 |
|
|
|
250 |
68 |
405 |
355 |
310 |
|
12-M22 |
360 |
|
|
|
300 |
78 |
460 |
410 |
375 |
|
12-M22 |
400 |
|
|
|
350 |
78 |
520 |
470 |
435 |
|
16-M22 |
400 |
|
|
|
400 |
102 |
580 |
525 |
485 |
|
16-M27 |
400 |
|
|
|
450 |
114 |
640 |
585 |
545 |
|
20-M27 |
530 |
|
|
|
500 |
127 |
715 |
650 |
609 |
|
20-M30 |
530 |
|
|
|
600 |
154 |
840 |
770 |
720 |
|
20-M36 |
600 |
|
|
|
700 |
165 |
910 |
840 |
788 |
|
24-M36 |
600 |
|
|
|
800 |
190 |
1025 |
950 |
898 |
|
24-M36 |
680 |
|
|
|
900 |
203 |
1125 |
1050 |
998 |
|
28-M36 |
680 |
|
|
|
1000 |
216 |
1255 |
1170 |
1110 |
|
28-M42 |
700 |
|
|
|
1200 |
254 |
1485 |
1390 |
1325 |
|
32-M48 |
800 |
|

PZ543傘齒輪傳動刀型閘閥
型號:PZ543
時間:2020-09-09

PZ773液動刀型閘閥
型號:PZ773
時間:2020-09-09

QF94TW氣動方閘閥
型號:QF94TW
時間:2020-09-09

WFZ礦漿閥
型號:WFZ
時間:2020-09-09

WXZ礦漿閥
型號:WXZ
時間:2020-09-09

Z73X 手動漿液閥
型號:Z73X
時間:2020-09-09
