
型號:G41F4 更新時間:2020-06-17
特點:無
|
G41F4襯四氟隔膜閥的概述
隔膜閥是一種特殊形式的具有截斷功能的閥門,其啟閉件由鋼質閥瓣與軟質材料(橡膠和氟塑料複合)製成的隔膜組成,並將閥體內腔隔開以達到截斷管內介質之目的。
1、fuhegemojiangfatixiabuqiangyufagaineiqianggekai,bingyuzhixingchengzhiliutongdao,shigemoshangbudefagan,fabandengneijianyujiezhiwanquangeli,shengqutianliaomifengjiegou,jiezhideneilouhewailouketongshibimian。
2、做為執行元件的膜件由於頻繁的啟閉易產生疲勞斷裂,應視工況,介質特性進行定期更換。
3、塑料的防腐性能及推薦使用溫度見“閥門及管路附件塑料襯裏性能表。”
襯四氟隔膜閥設計規範
遵循GB/T 12239,BS 5156標準
襯四氟隔膜閥驅動方式
手動襯氟隔膜閥、氣動襯氟隔膜閥(常開或常閉)、電動襯氟隔膜閥 |
|
|
|
襯四氟隔膜閥主要零部件材料表 |
|
序號 |
零件名稱 |
灰鑄鐵 |
鑄鋼 |
不鏽耐酸鑄鋼 |
超低碳不鏽耐酸鑄鋼 |
||
|
Z |
C |
P |
R |
PL |
RL |
||
|
1 |
閥體/閥蓋 |
HT250 |
WCB |
CF8 |
CF8M |
CF3 |
CF3M |
|
2 |
閥瓣/閥杆 |
25 |
2Cr13 |
1Cr18Ni9 |
1Cr18Ni12Mo2Ti |
00Cr18Ni10 |
00Cr17Ni14Mo2 |
|
3 |
襯裏/閥座 |
PCTEF(F3),FEP(F46),PFA(可溶F4),PP,PO |
|||||
|
4 |
隔膜 |
FEP(F46)/CR(氯丁橡膠)PFA(可溶F4)/FPDM(乙丙橡膠) |
|||||
|
5 |
支架 |
PTFE(F4) |
CF8 |
CF8 |
|||
|
6 |
閥杆螺母 |
ZCuAl10Fe3 |
ZCuAl10Fe3 |
ZCuAl10Fe3 |
|||
|
7 |
緊固螺栓 |
35 |
1Cr17Ni2 |
1Cr18Ni9Ti |
|||
|
8 |
螺母 |
45 |
0Cr18Ni9 |
0Cr18Ni9 |
|||
|
9 |
手輪 |
WCB |
WCB |
WCB |
|||
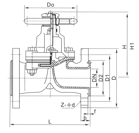
襯四氟隔膜閥主要外形和連接尺寸

|
公稱通經 |
L |
D |
D1 |
D2 |
f |
b |
Z-φd |
D |
D1 |
D2 |
f |
b |
Z-φd |
|
|
DN(mm) |
NPS(inch) |
PN1.0MPa |
PN1.6MPa |
|||||||||||
|
15 |
1/2 |
125 |
80 |
55 |
40 |
2 |
12 |
4-φ12 |
95 |
65 |
45 |
2 |
14 |
4-φ14 |
|
20 |
3/4 |
135 |
90 |
65 |
50 |
2 |
14 |
4-φ12 |
105 |
75 |
55 |
2 |
16 |
4-φ14 |
|
25 |
1 |
145 |
100 |
75 |
60 |
2 |
14 |
4-φ12 |
115 |
85 |
65 |
2 |
16 |
4-φ14 |
|
32 |
5/4 |
160 |
120 |
90 |
70 |
2 |
16 |
4-φ14 |
135 |
100 |
78 |
2 |
18 |
4-φ18 |
|
40 |
3/2 |
180 |
130 |
100 |
80 |
3 |
16 |
4-φ14 |
145 |
110 |
85 |
3 |
18 |
4-φ18 |
|
50 |
2 |
210 |
140 |
110 |
90 |
3 |
16 |
4-φ14 |
160 |
125 |
100 |
3 |
20 |
4-φ18 |
|
65 |
5/2 |
250 |
160 |
130 |
110 |
3 |
16 |
4-φ14 |
180 |
145 |
120 |
3 |
20 |
4-φ18 |
|
80 |
3 |
300 |
185 |
150 |
125 |
3 |
18 |
4-φ18 |
195 |
160 |
135 |
3 |
22 |
4-φ18 |
|
100 |
4 |
350 |
205 |
170 |
145 |
3 |
18 |
4-φ18 |
215 |
180 |
155 |
3 |
22 |
8-φ18 |
|
125 |
5 |
400 |
235 |
200 |
175 |
3 |
20 |
8-φ18 |
245 |
210 |
185 |
3 |
24 |
8-φ18 |
|
150 |
6 |
460 |
260 |
225 |
200 |
3 |
20 |
8-φ18 |
280 |
240 |
210 |
3 |
24 |
8-φ23 |
|
200 |
8 |
570 |
315 |
280 |
255 |
3 |
22 |
8-φ18 |
335 |
295 |
265 |
3 |
26 |
8-φ23 |
|
250 |
10 |
680 |
370 |
335 |
310 |
3 |
24 |
12-φ28 |
390 |
350 |
320 |
3 |
28 |
12-φ23 |
|
300 |
12 |
790 |
435 |
395 |
362 |
4 |
24 |
12-φ23 |
440 |
400 |
368 |
4 |
28 |
12-φ23 |

G45F46襯氟直流式隔膜閥
型號:
時間:2020-06-17

電動襯膠隔膜閥
型號:
時間:2020-06-17

英標氣動隔膜閥
型號:
時間:2020-06-17

常開式氣動襯膠隔膜閥
型號:
時間:2020-06-17

常閉式氣動襯膠隔膜閥
型號:G6B41J
時間:2020-06-17

常開式氣動襯膠隔膜閥
型號:
時間:2020-06-17
